Product Summary
The MRF5015 is a 7W RF power field effect transistor.
Parametrics
MRF5015 absolute maximum ratings: (1)Drain–Source Voltage, VDSS: 36 Vdc; (2)Drain–Gate Voltage (RGS = 1.0 Meg Ohm), VDGR: 36 Vdc; (3)Gate–Source Voltage, VGS: ±20 Vdc; (4)Drain Current — Continuous, ID: 6 Adc.
Features
MRF5015 features: (1)Guaranteed Performance at 512 MHz, 7.5 Volts Output Power = 7.0 Watts Power Gain = 10 dB Min Efficiency = 50% Min; (2)Characterized with Series Equivalent Large–Signal Impedance Parameters; (3)S–Parameter Characterization at High Bias Levels; (4)Excellent Thermal Stability; (5)All Gold Metal for Ultra Reliability; (6)Capable of Handling 20:1 VSWR, @ 10 Vdc, 512 MHz, 2.0 dB Overdrive.
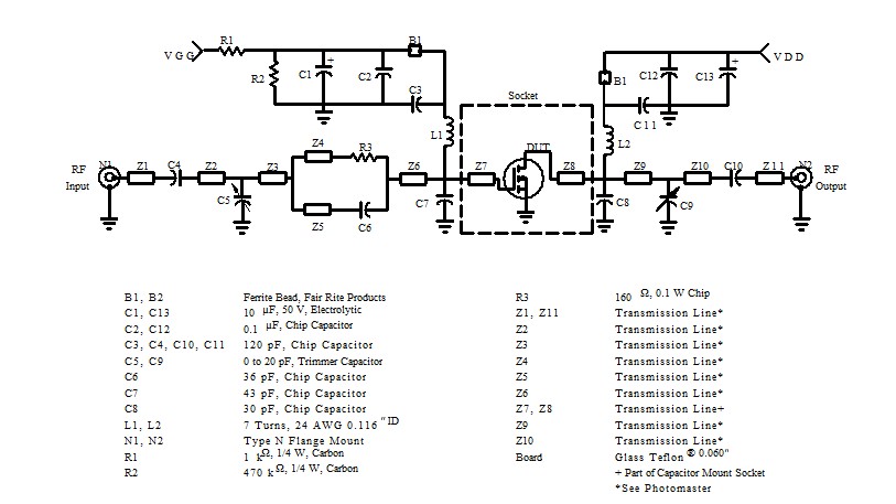
Diagrams

(China (Mainland))






