Product Summary
The MRF372 is a Power Field Effect Transistor designed for broadband commercial and industrial applications at frequencies from 470 – 860 MHz. The high gain and broadband performance of the MRF372 makes it ideal for large–signal, common source amplifier applications in 28 volt transmitter equipment.
Parametrics
MRF372 absolute maximum ratings: (1)Drain–Source Voltage VDSS: 68 Vdc; (2)Gate–Source Voltage VGS: -0.5, +15 Vdc; (3)Drain Current – Continuous ID: 17 Adc; (4)Storage Temperature Range Tstg: – 65 to +150 ℃; (5)Operating Junction Temperature TJ: 200 ℃.
Features
MRF372 features: (1)Typical Narrowband Two-Tone Performance @ f1 = 857 MHz, f2 = 863 MHz, 32 Volts; (2)Output Power -180 Watts PEP; (3)Power Gain -17 dB; (4)Efficiency -36%; (5)IMD - -35 dBc; (6)Typical Broadband Two-Tone Performance @ f1 = 857 MHz,; (7)f2 = 863 MHz, 32 Volts; (8)Output Power -180 Watts PEP; (9)Power Gain -14.5 dB; (10)Efficiency -37%; (11)IMD - -31 dBc; (12)Internally Matched, Controlled Q, for Ease of Use; (13)Integrated ESD Protection; (14)100% Tested for Load Mismatch Stress at All Phase Angles with 3:1 VSWR @ 32 Vdc, f1 = 857 MHz, f2 = 863 MHz, 180 Watts PEP; (15)Excellent Thermal Stability; (16)Characterized with Series Equivalent Large-Signal Impedance Parameters.
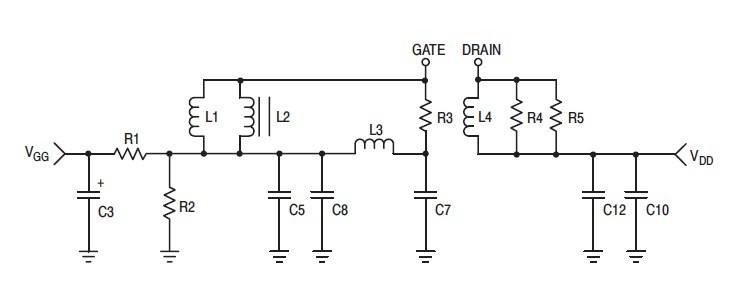
Diagrams
 
| Image | Part No | Mfg | Description |  | Pricing (USD) | Quantity | ||||
|---|---|---|---|---|---|---|---|---|---|---|
|  |  MRF372 |  Other |  |  Data Sheet |  Negotiable |  | ||||
|  |  MRF372R3 |  Freescale Semiconductor |  Transistors RF MOSFET Power 180W 860MHZ NI-860MOD |  Data Sheet |  Negotiable |  | ||||
|  |  MRF372R5 |  Freescale Semiconductor |  Transistors RF MOSFET Power 180W 860MHZ NI-860MOD |  Data Sheet |  Negotiable |  | ||||
 (China (Mainland))
 (China (Mainland)) 
                         
                        
 
                                    




