Product Summary
The BSM100GB120DLCK is an IGBT-inverter.
Parametrics
BSM100GB120DLCK absolute maximum ratings: (1) collector-emitter voltage: 1200V; (2) DC-collector current: 205A; (3) repetitive peak collector current: 200A; (4) total power dissipation: 835W; (5) gate-emitter peak voltage: ±20V.
Features
BSM100GB120DLCK features: (1) VCE: 2.60V; (2) VGE: 4.5V to 6.5V; (3) QG: 1.10μC; (4) RGint: 5.0Ω; (5) Gres: 0.5nF; (6) IGES: 400nA; (7) ICES: 5.0mA.
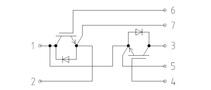
Diagrams

| Image | Part No | Mfg | Description |  | Pricing (USD) | Quantity | ||||||||||||
|---|---|---|---|---|---|---|---|---|---|---|---|---|---|---|---|---|---|---|
|  |  BSM100GB120DLCK |  Infineon Technologies |  IGBT Modules 1200V 100A DUAL |  Data Sheet |  
 |  | ||||||||||||
| Image | Part No | Mfg | Description |  | Pricing (USD) | Quantity | ||||||||||||
|  |  BSM100GAL120DLCK |  Infineon Technologies |  IGBT Modules 1200V 100A CHOPPER |  Data Sheet |  
 |  | ||||||||||||
|  |  BSM100GAL120DN2 |  Infineon Technologies |  IGBT Modules 1200V 100A CHOPPER |  Data Sheet |  Negotiable |  | ||||||||||||
|  |  BSM100GAR120DN2 |  Infineon Technologies |  IGBT Transistors 1200V 100A DUAL |  Data Sheet |  Negotiable |  | ||||||||||||
|  |  BSM100GB120DLC |  Infineon Technologies |  IGBT Modules 1200V 100A DUAL |  Data Sheet |  
 |  | ||||||||||||
|  |  BSM100GB120DLCK |  Infineon Technologies |  IGBT Modules 1200V 100A DUAL |  Data Sheet |  
 |  | ||||||||||||
|  |  BSM100GB120DN2 |  Infineon Technologies |  IGBT Modules 1200V 100A DUAL |  Data Sheet |  
 |  | ||||||||||||
 (China (Mainland))
 (China (Mainland)) 
                         
                        
 
                                    




