Product Summary
                                                  	The CM150DY-12NF is an insulated gate bipolar transistor. The applications of the CM150DY-12NF include general purpose inverters & servo controls, etc.
                                                  
Parametrics
CM150DY-12NF absolute maximum ratings: (1)Collector-emitter voltage, G-E Short, VCES: 600A; (2)Gate-emitter voltage, C-E Short, VGES: ±20V; (3)Collector current: DC, TC’=97℃, IC:150A; Pulse, ICM:300A; (4)Emitter current: IE: 150A; Pulse, IEM: 300A; (5)Maximum collector dissipation, TC = 25℃, PC: 590W; (6)Junction temperature, Tj: -40 to +150℃; (7)Storage temperature, Tstg: -40 to +125℃; (8)Isolation voltage, Main Terminal to base plate, AC 1 min., Viso: 2500V; (9)Torque strength: Main Terminal M5: 2.5 to 3.5N ·m; Mounting holes M6: 3.5 to 4.5N ·m; (10)Weight, Typical value: 310g.
Features
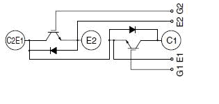
CM150DY-12NF features: (1)IC: 150A; (2)VCES: 600V; (3)Insulated Type; (4)2-elements in a pack.
Diagrams

| Image | Part No | Mfg | Description |  | Pricing (USD) | Quantity | ||||||||||||||||||
|---|---|---|---|---|---|---|---|---|---|---|---|---|---|---|---|---|---|---|---|---|---|---|---|---|
|  CM150DY-12NF |  |  IGBT MOD DUAL 600V 150A NF SER |  Data Sheet |  
 |  | |||||||||||||||||||
| Image | Part No | Mfg | Description |  | Pricing (USD) | Quantity | ||||||||||||||||||
|  |  CM15 |  Other |  |  Data Sheet |  Negotiable |  | ||||||||||||||||||
|  |  CM1500 |  Other |  |  Data Sheet |  Negotiable |  | ||||||||||||||||||
|  |  CM15001W |  Other |  |  Data Sheet |  Negotiable |  | ||||||||||||||||||
|  |  CM15002W |  Other |  |  Data Sheet |  Negotiable |  | ||||||||||||||||||
|  |  CM15003W |  Other |  |  Data Sheet |  Negotiable |  | ||||||||||||||||||
|  |  CM15004W |  Other |  |  Data Sheet |  Negotiable |  | ||||||||||||||||||
 (China (Mainland))
 (China (Mainland)) 
                         
                        
 
                                    




