Product Summary
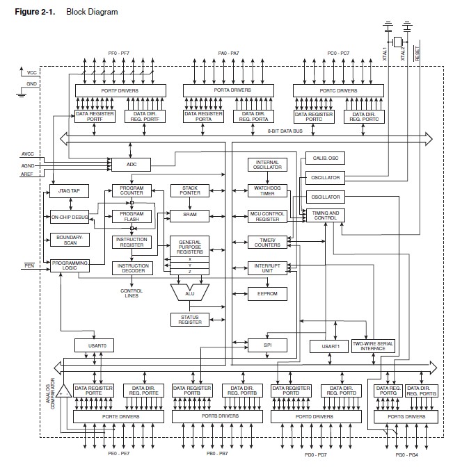
The ATMEGA128A-AU is a low-power CMOS 8-bit microcontroller based on the AVR enhanced RISC architecture. By executing powerful instructions in a single clock cycle, the ATMEGA128A-AU achieves throughputs approaching 1 MIPS per MHz allowing the system designer to optimize power consumption versus processing speed.
Parametrics
ATMEGA128A-AU maximumratings: (1)Storage Temperature: -65℃ to +150℃; (2)Voltage on any Pin except RESET with respect to Ground: -0.5V to VCC+0.5V; (3)Voltage on RESET with respect to Ground: -0.5V to +13.0V; (4)Maximum Operating Voltage: 6.0V; (5)DC Current per I/O Pin: 40.0 mA; (6)DC Current VCC and GND Pins: 200.0 - 400.0 mA.
Features
ATMEGA128A-AU features: (1)High-performance, Low-power AVR 8-bit Microcontroller; (2)Advanced RISC Architecture; (3)High Endurance Non-volatile Memory segments; (4)JTAG (IEEE std. 1149.1 Compliant) Interface; (5)Two 8-bit Timer/Counters with Separate Prescalers and Compare Modes; (6)Two Expanded 16-bit Timer/Counters with Separate Prescaler, Compare Mode and Capture Mode; (7)Real Time Counter with Separate Oscillator; (8)Two 8-bit PWM Channels; (9)Power-on Reset and Programmable Brown-out Detection; (10)Internal Calibrated RC Oscillator; (11)External and Internal Interrupt Sources.
Diagrams

| Image | Part No | Mfg | Description | ![]() |
Pricing (USD) |
Quantity | ||||||||||||
|---|---|---|---|---|---|---|---|---|---|---|---|---|---|---|---|---|---|---|
![]() |
![]() ATmega128A-AU |
![]() Atmel |
![]() 8-bit Microcontrollers (MCU) 128K Flash 4K EEPROM 4K SRAM 53 IO Pins |
![]() Data Sheet |
![]()
|
|
||||||||||||
![]() |
![]() ATMEGA128A-AUR |
![]() Atmel |
![]() 8-bit Microcontrollers (MCU) AVR 128K FLSH-16MHz IND TEMP 5V |
![]() Data Sheet |
![]()
|
|
||||||||||||
(China (Mainland))










