Product Summary
The TMS320F2812PGFA is a digital signal processor.
Parametrics
TMS320F2812PGFA absolute maximum ratings: (1)Supply voltage range, VDD, PLLVCCA, VDDO, and VCCA: – 0.3 V to 4.6 V; (2)Supply voltage range, CVDD: – 0.5 V to 2 V; (3)VCCP range: – 0.3 V to 3.6 V; (4)Input voltage range, VIN: – 0.3 V to 4.6 V; (5)Output voltage range, VO: – 0.3 V to 4.6 V; (6)Output voltage range,VO: – 0.3 V to 4.6 V; (7)Input clamp current, IIK (VIN < 0 or VIN > VCC): ± 20 mA; (8)Output clamp current, IOK (VO < 0 or VO > VCC): ± 20 mA; (9)Operating free-air temperature ranges, TA: A version: – 40 to 85℃; S version: – 40 to 125℃; (10)Junction temperature range, TJ: – 40 to 150℃; (11)Storage temperature range, Tstg: – 65 to 150℃.
Features
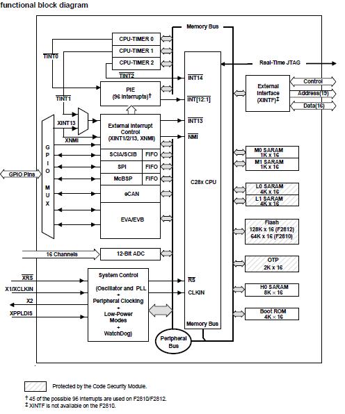
TMS320F2812PGFA features: (1)16 x 16 and 32 x 32 MAC Operations; (2)16 x 16 Dual MAC; (3)Harvard Bus Architecture; (4)Atomic Operations; (5)Fast Interrupt Response and Processing; (6)Unified Memory Programming Model; (7)4M Linear Program Address Reach; (8)4G Linear Data Address Reach; (9)Code-Efficient (in C/C++ and Assembly); (10)TMS320F24x/LF240x Processor Source Code Compatible; (11)Serial Peripheral Interface (SPI); (12)Two Serial Communications Interfaces (SCIs), Standard UART; (13)Enhanced Controller Area Network (eCAN); (14)Multichannel Buffered Serial Port (McBSP) With SPI Mode; (15)Three External Interrupts; (16)Peripheral Interrupt Expansion (PIE) Block; (17)That Supports 45 Peripheral Interrupts; (18)128-Bit Security Key/Lock; (19)Protects Flash/OTP and L0/L1 SARAM; (20)revents Firmware Reverse Engineering Motor Control Peripherals; (21)Two Event Managers (EVA, EVB); (22)Compatible to 240x Devices.
Diagrams

| Image | Part No | Mfg | Description |  | Pricing (USD) | Quantity | ||||||||||||
|---|---|---|---|---|---|---|---|---|---|---|---|---|---|---|---|---|---|---|
|  |  TMS320F2812PGFA |  Texas Instruments |  Digital Signal Processors & Controllers (DSP, DSC) 32-Bit Digital Sig Controller w/Flash |  Data Sheet |  
 |  | ||||||||||||
| Image | Part No | Mfg | Description |  | Pricing (USD) | Quantity | ||||||||||||
|  |  TMS3112 |  Other |  |  Data Sheet |  Negotiable |  | ||||||||||||
|  |  TMS3121 |  Other |  |  Data Sheet |  Negotiable |  | ||||||||||||
|  |  TMS320 |  Other |  |  Data Sheet |  Negotiable |  | ||||||||||||
|  |  TMS32010 |  Other |  |  Data Sheet |  Negotiable |  | ||||||||||||
|  |  TMS320AV7110 |  Other |  |  Data Sheet |  Negotiable |  | ||||||||||||
|  |  TMS320BC51PQ100 |  Texas Instruments |  Digital Signal Processors & Controllers (DSP, DSC) TMS320C51PQ - 132QFP - 100MHZ/BOOT CODE |  Data Sheet |  Negotiable |  | ||||||||||||
 (China (Mainland))
 (China (Mainland)) 
                         
                        
 
                                    



