Product Summary
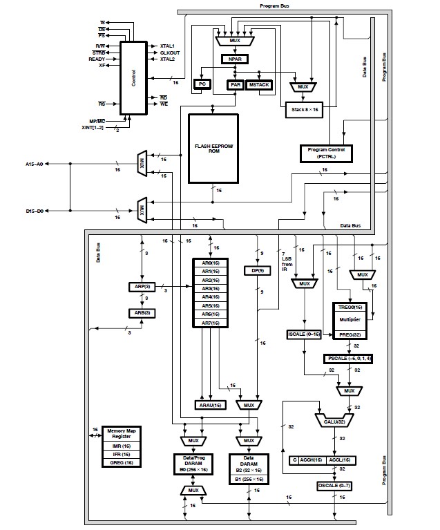
The TMS320LF2406APZA is a digital signal processor (DSP) controller, it is a part of the TMS320C2000 platform of fixed-point DSPs. The TMS320LF2406APZA offers the enhanced TMS320. DSP architectural design of the C2xx core CPU for low-cost, low-power, and high-performance processing capabilities. Several advanced peripherals, optimized for digital motor and motion control applications, has been integrated to provide a true single-chip DSP controller. While code-compatible with the existing C24x. DSP controller devices, the 240xA offers increased processing performance (40 MIPS) and a higher level of peripheral integration. See the TMS320LF2406APZA Device Summary section for device-specific features.
Parametrics
TMS320LF2406APZA maximum ratings: (1)Data Bus Width: 16 bit; (2)Numeric and Arithmetic Format: Fixed-Point; (3)Instruction Set Architecture: Advanced Harvard; (4)Device Million Instructions per Second: 40 MIPs; (5)Maximum Clock Frequency: 40 MHz; (6)Program Memory Size: 64 KB; (7)Data RAM Size: 5 KB; (8)Operating Supply Voltage: 3.3 V, 5 V; (9)Maximum Operating Temperature: + 85℃; (10)Mounting Style: SMD/SMT; (11)Package / Case: LQFP-100; (12)Packaging: Tray; (13)Minimum Operating Temperature: - 40℃; (14)Standard Pack Qty: 90.0.
Features
TMS320LF2406APZA features: (1)Controller Area Network (CAN) 2.0B Module; (2)Serial Communications Interface (SCI); (3)16-Bit Serial Peripheral Interface (SPI); (4)Phase-Locked-Loop (PLL)-Based Clock Generation; (5)Up to 40 Individually Programmable, Multiplexed General-Purpose Input/Output (GPIO) Pins; (6)Up to Five External Interrupts (Power Drive Protection, Reset, Two Maskable Interrupts); (7)Power Management: Three Power-Down Modes; Ability to Power Down Each Peripheral Independently; (8)Real-Time JTAG-Compliant Scan-Based Emulation, IEEE Standard 1149.1(JTAG).
Diagrams

| Image | Part No | Mfg | Description | ![]() |
Pricing (USD) |
Quantity | ||||||||||||
|---|---|---|---|---|---|---|---|---|---|---|---|---|---|---|---|---|---|---|
![]() |
![]() TMS320LF2406APZA |
![]() Texas Instruments |
![]() Digital Signal Processors & Controllers (DSP, DSC) 16-Bit Fixed-Pt DSP with Flash |
![]() Data Sheet |
![]()
|
|
||||||||||||
![]() |
![]() TMS320LF2406APZAR |
![]() Texas Instruments |
![]() Digital Signal Processors & Controllers (DSP, DSC) 16-Bit Fixed-Pt DSP |
![]() Data Sheet |
![]()
|
|
||||||||||||
(China (Mainland))









