Product Summary
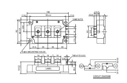
The CM300DY-24A is an IGBT Module.
Parametrics
CM300DY-24A absolute maximum ratings: (1)Junction Temperature Tj: –40℃ to 150℃; (2)Storage Temperature Tstg: –40℃ to 125℃; (3)Collector-Emitter Voltage (G-E SHORT) VCES: 1200 Volts; (4)Gate-Emitter Voltage (C-E SHORT) VGES: ±20 Volts; (5)Collector Current (TC = 25℃) IC: 300 Amperes; (6)Peak Collector Current ICM: 600 Amperes; (7)Emitter Current** (TC = 25℃) IE: 300 Amperes; (8)Peak Emitter Current IEM: 600 Amperes; (9)Maximum Collector Dissipation (TC = 25℃) Pc: 1890 Watts.
Features
CM300DY-24A features: (1)IC: 300A; (2)VCES: 1200V; (3)Insulated Type; (4)2-elements in a pack.
Diagrams

| Image | Part No | Mfg | Description | ![]() |
Pricing (USD) |
Quantity | ||||||
|---|---|---|---|---|---|---|---|---|---|---|---|---|
![]() CM300DY-24A |
![]() |
![]() IGBT MOD DUAL 1200V 300A A SER |
![]() Data Sheet |
![]() Negotiable |
|
|||||||
| Image | Part No | Mfg | Description | ![]() |
Pricing (USD) |
Quantity | ||||||
![]() |
![]() CM3002 |
![]() Other |
![]() |
![]() Data Sheet |
![]() Negotiable |
|
||||||
![]() |
![]() CM300DU-12F |
![]() |
![]() IGBT MOD DUAL 600V 300A F SER |
![]() Data Sheet |
![]()
|
|
||||||
![]() |
![]() CM300DU-12H |
![]() |
![]() IGBT MOD DUAL 600V 300A U SER |
![]() Data Sheet |
![]()
|
|
||||||
![]() |
![]() CM300DU-12NFH |
![]() |
![]() IGBT MOD DUAL 600V 300A NFH SER |
![]() Data Sheet |
![]()
|
|
||||||
![]() |
![]() CM300DU-24F |
![]() |
![]() IGBT MOD DUAL 1200V 300A F SER |
![]() Data Sheet |
![]()
|
|
||||||
![]() |
![]() CM300DU-24H |
![]() |
![]() IGBT MOD DUAL 1200V 300A U SER |
![]() Data Sheet |
![]()
|
|
||||||
(China (Mainland))









