Product Summary
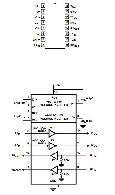
The HIN202ECPZ is a RS-232 transmitter/receiver interface circuit which meets all ElA high-speed RS-232E and V.28 specifications, and are particularly suited for those applications where ±12V is not available. A redesigned transmitter circuit improves data rate and slew rate, which makes this suitable for ISDN and high speed modems. The transmitter outputs and receiver inputs are protected to ±15kV ESD (Electrostatic Discharge). They require a single +5V power supply and feature onboard charge pump voltage converters which generate +10V and -10V supplies from the 5V supply. The HIN202ECPZ requires no external capacitors and are ideally suited for applications where circuit board space is critical. The HIN202ECPZ offers a wide variety of high-speed RS-232 transmitter/receiver combinations to accommodate various applications. Applications include Portable, Mainframe, Laptop, Printers and Terminals, Instrumentation, UPS and Modems, ISDN Terminal Adaptors.
Parametrics
HIN202ECPZ absolute maximum ratings: (1)VCC to Ground: (GND -0.3V) < VCC < 6V; (2)V+ to Ground: (VCC -0.3V) < V+ < 12V; (3)V- to Ground: -12V < V- < (GND +0.3V); (4)Input Voltages-TIN: (V- -0.3V) < VIN < (V+ +0.3V); (5)Input Voltages-RIN: ±30V.
Features
HIN202ECPZ features: (1)High Speed ISDN Compatible; (2)ESD Protection for RS-232 I/O Pins to ±15kV (IEC1000); (3)Meets All RS-232E and V.28 Specifications; (4)Requires Only 0.1μF or Greater External Capacitors HIN205E and HIN235E Require No External Capacitors); (5)Two Receivers Active in Shutdown Mode (HIN213E); (6)Requires Only Single +5V Power Supply; (7)Onboard Voltage Doubler/Inverter; (8)Low Power Consumption; (9)Low Power Shutdown Function; (10)Three-State TTL/CMOS Receiver Outputs.
Diagrams
| Image | Part No | Mfg | Description | ![]() |
Pricing (USD) |
Quantity | ||||||||||||
|---|---|---|---|---|---|---|---|---|---|---|---|---|---|---|---|---|---|---|
![]() |
![]() HIN202ECPZ |
![]() Intersil |
![]() RS-232 Interface IC W/ANNEAL RS232 5V 2D /2R 15KV 16PDIP COM |
![]() Data Sheet |
![]()
|
|
||||||||||||
| Image | Part No | Mfg | Description | ![]() |
Pricing (USD) |
Quantity | ||||||||||||
![]() |
![]() HIN200 |
![]() Other |
![]() |
![]() Data Sheet |
![]() Negotiable |
|
||||||||||||
![]() |
![]() HIN201 |
![]() Other |
![]() |
![]() Data Sheet |
![]() Negotiable |
|
||||||||||||
![]() |
![]() HIN202 |
![]() Other |
![]() |
![]() Data Sheet |
![]() Negotiable |
|
||||||||||||
![]() |
![]() HIN202A |
![]() Other |
![]() |
![]() Data Sheet |
![]() Negotiable |
|
||||||||||||
![]() |
![]() HIN202CB |
![]() |
![]() IC TXRX RS-232 5V 16-SOIC |
![]() Data Sheet |
![]() Negotiable |
|
||||||||||||
![]() |
![]() HIN202CBN |
![]() |
![]() IC TXRX RS-232 5V 16-SOIC |
![]() Data Sheet |
![]()
|
|
||||||||||||
(China (Mainland))












