Product Summary
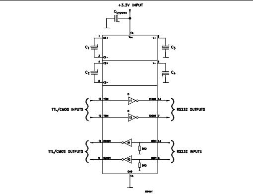
The ST3232ECDR is a 3V powered EIA/TIA-232 and V.28/V.24 communication interfaces with low power requirements, high data-rate capabilities and enhanced electrostatic discharge (ESD) protection to ±8kV using IEC1000-4-2 Contact Discharge and ±15kV using the Human Body Model. ST3232ECDR has a proprietary low dropout transmitter output stage providing true RS-232 performance from 3 to 5V supplies with a dual charge pump. The charge pump requires only four small 0.1µF standard external capacitors for operations from 3V supply.
Parametrics
ST3232ECDR absolute maximum ratings: (1)Supply Voltage: -0.3 to 6 V; (2)Doubled Voltage Terminal: (VCC-0.3) to 7 V; (3)Inverted Voltage Terminal: 0.3 to -7 V; (4)Transmitter Input Voltage Range: -0.3 to 6 V; (5)RIN Receiver Input Voltage Range; ± 25 V; (6)Transmitter Output Voltage Range ± 13.2 V; (7)Receiver Output Voltage Range -0.3 to (VCC + 0.3) V.
Features
ST3232ECDR features: (1)ESD protection for RS-232I/O pins; (2)300μA supply current; (3)250kbps minimum guaranteed data rate; (4)meet EIA/TIA-232 specifications down to 3V.
Diagrams
| Image | Part No | Mfg | Description | ![]() |
Pricing (USD) |
Quantity | ||||||||||||||||
|---|---|---|---|---|---|---|---|---|---|---|---|---|---|---|---|---|---|---|---|---|---|---|
![]() |
![]() ST3232ECDR |
![]() STMicroelectronics |
![]() Buffers & Line Drivers Lo Power 2Drvr/2Rcvr |
![]() Data Sheet |
![]()
|
|
||||||||||||||||
| Image | Part No | Mfg | Description | ![]() |
Pricing (USD) |
Quantity | ||||||||||||||||
![]() |
![]() ST32 |
![]() Littelfuse |
![]() Diacs 27-34V |
![]() Data Sheet |
![]()
|
|
||||||||||||||||
![]() |
![]() ST3215SB |
![]() Other |
![]() |
![]() Data Sheet |
![]() Negotiable |
|
||||||||||||||||
![]() |
![]() ST3215SB32768C0HPWBB |
![]() AVX |
![]() Crystals 7pF 32.768kHz |
![]() Data Sheet |
![]()
|
|
||||||||||||||||
![]() |
![]() ST3215SB32768E0HPWAA |
![]() |
![]() CRYSTAL 32.768KHZ 9.0PF SMD |
![]() Data Sheet |
![]()
|
|
||||||||||||||||
![]() |
![]() ST3215SB32768E0HPWBB |
![]() AVX |
![]() Crystals 32.768KHz 9.0pF |
![]() Data Sheet |
![]()
|
|
||||||||||||||||
![]() |
![]() ST3215SB32768E0HPWZZ |
![]() AVX |
![]() Crystals 32.768kHz 9.0pF |
![]() Data Sheet |
![]()
|
|
||||||||||||||||
(China (Mainland))










