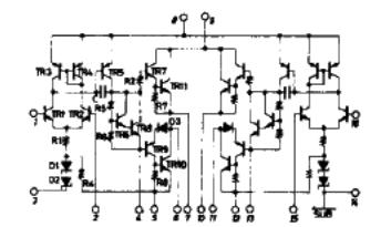
Product Summary
The STK465 is a 2 POWER 2 channel AF power amplifier.
Parametrics
STK465 absolute maximum ratings: (1)maximum supply voltage: ±41V; (2)operating case temperature: 105℃; (3)storage temperature: -30 to +105℃; (4)allowable load shorting time: 2s.
Features
STK465 features: (1)2 channel by power suppliers; (2)AF output power: 30W min.
Diagrams
(China (Mainland))






