Product Summary
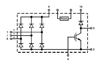
The VUB72-16NO1 is a Three Phase Rectifier Bridge with IGBT and Fast Recovery Diode for Braking System. It is suitable for Drive Inverters with brake system.
Parametrics
VUB72-16NO1 absolute maximum ratings: (1)VRRM: 1200 / 1600V; (2)IdA: 59A; (3)IdAVM: 70A; (4)IFSM: 530A; (5)I2t: 1400A; (6)Ptot: 90W; (7)TVJ: -40 to +150℃; (8)TVJM: 150℃; (9)Tstg: -40 to +125℃.
Features
VUB72-16NO1 features: (1)Soldering connections for PCB mounting; (2)Isolation voltage 3600 V~; (3)Ultrafast freewheeling diode; (4)Convenient package outline; (5)UL registered E 72873; (6)Thermistor.
Diagrams

| Image | Part No | Mfg | Description | ![]() |
Pricing (USD) |
Quantity | ||||
|---|---|---|---|---|---|---|---|---|---|---|
![]() |
![]() VUB72-16NO1 |
![]() Ixys |
![]() Bridge Rectifiers 72 Amps 1600V |
![]() Data Sheet |
![]() Negotiable |
|
||||
| Image | Part No | Mfg | Description | ![]() |
Pricing (USD) |
Quantity | ||||
![]() |
![]() VUB72-12NO1 |
![]() Ixys |
![]() Bridge Rectifiers 72 Amps 1200V |
![]() Data Sheet |
![]() Negotiable |
|
||||
![]() |
![]() VUB72-16NO1 |
![]() Ixys |
![]() Bridge Rectifiers 72 Amps 1600V |
![]() Data Sheet |
![]() Negotiable |
|
||||
![]() |
![]() VUB72 |
![]() Other |
![]() |
![]() Data Sheet |
![]() Negotiable |
|
||||
![]() |
![]() VUB71 |
![]() Other |
![]() |
![]() Data Sheet |
![]() Negotiable |
|
||||
(China (Mainland))









