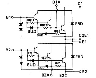
Product Summary
The 2DI100Z-120 is a power transistor module.
Parametrics
2DI100Z-120 absolute maximum ratings: (1)VcBO: 1200 V; (2)VCEO: 1200 V; (3)Vebo: 10 V; (4)Ic: 100 A; (5)!cp: 200 A; (6)Ic: 100 A; (7)Ib: 6A; (8)Ibp: 12A; (9)Pc: 800W; (10)Pc: 1600W; (11)Ti: + 150℃; (12)Tstg: -40- + 125℃.
Features
2DI100Z-120 features: (1)High Voltage; (2)Including Free Wheeling Diode; (3)Excellent Safe Operating Area; (4)Insulated Type.
Diagrams

![]() |
![]() 2DI150M-120 |
![]() Other |
![]() |
![]() Data Sheet |
![]() Negotiable |
|
||||
(China (Mainland))








