Product Summary
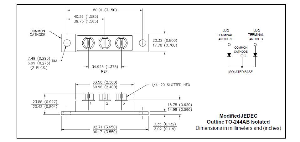
The 403CMQ100 is a high current Schottky rectifier module. It has been optimized for low reverse leakage at high temperature.
Parametrics
403CMQ100 absolute maximum ratings: (1)IF(AV) Rectangular waveform: 400 A; (2)VRRM Range: 80 to 100 V; (3)IFSM @ tp = 5 μs sine: 25,500 A; (4)VF @ 200Apk, TJ=125℃ (per leg): 0.69 V; (5)TJ range: - 55℃ to 175℃.
Features
403CMQ100 features: (1)175℃ TJ operation; (2)Center tap module - Isolated Base; (3)High purity, high temperature epoxy encapsulation for enhanced mechanical strength and moisture resistance; (4)Low forward voltage drop; (5)High frequency operation; (6)Guard ring for enhanced ruggedness and long term reliability.
Diagrams

| Image | Part No | Mfg | Description | ![]() |
Pricing (USD) |
Quantity | ||||||||||||||||||
|---|---|---|---|---|---|---|---|---|---|---|---|---|---|---|---|---|---|---|---|---|---|---|---|---|
![]() |
![]() 403CMQ100 |
![]() Vishay |
![]() Schottky (Diodes & Rectifiers) 400 Amp 100 Volt 25500 Amp IFSM |
![]() Data Sheet |
![]() Negotiable |
|
||||||||||||||||||
| Image | Part No | Mfg | Description | ![]() |
Pricing (USD) |
Quantity | ||||||||||||||||||
![]() |
![]() 403C11A12M00000 |
![]() CTS Electronic Components |
![]() Crystals 12MHz 10pF 10ppm -20C +70C |
![]() Data Sheet |
![]()
|
|
||||||||||||||||||
![]() |
![]() 403C11A13M00000 |
![]() CTS Electronic Components |
![]() Crystals 13MHz 10pF 10ppm -20C +70C |
![]() Data Sheet |
![]()
|
|
||||||||||||||||||
![]() |
![]() 403C11A14M40000 |
![]() CTS Electronic Components |
![]() Crystals 14.4MHz 10pF 10ppm -20C +70C |
![]() Data Sheet |
![]()
|
|
||||||||||||||||||
![]() |
![]() 403C11A14M74560 |
![]() CTS Electronic Components |
![]() Crystals 14.7456MHz 10pF 10ppm -20C +70C |
![]() Data Sheet |
![]()
|
|
||||||||||||||||||
![]() |
![]() 403C11A16M00000 |
![]() |
![]() CRYSTAL 16.0 MHZ 10 PF SMD |
![]() Data Sheet |
![]()
|
|
||||||||||||||||||
![]() |
![]() 403C11A16M38400 |
![]() CTS Electronic Components |
![]() Crystals 16.384MHz 10pF 10ppm -20C +70C |
![]() Data Sheet |
![]()
|
|
||||||||||||||||||
(China (Mainland))











