Product Summary
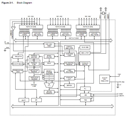
The AT90USB162-16AU is a low-power CMOS 8-bit microcontroller based on the AVR enhanced RISC architecture. By executing powerful instructions in a single clock cycle, the AT90USB162-16AU achieves throughputs approaching 1 MIPS per MHz allowing the system designer to optimize power consumption versus processing speed. The AT90USB162-16AU is manufactured using Atmel’s high-density nonvolatile memory technology. Bycombining an 8-bit RISC CPU with In-System Self-Programmable Flash on a monolithic chip, the Atmel AT90USB162-16AU is a powerful microcontroller that provides a highly flexible and cost effective solution to many embedded control applications.
Parametrics
AT90USB162-16AU absolute maximum ratings: (1)Operating Temperature: -55 to +125℃; (2)Storage Temperature: -65 to +150℃; (3)Voltage on any Pin except RESET & UVcc with respect to Ground: -0.5V to VCC+0.5V; (4)Voltage on RESET with respect to Ground: -0.5V to +13.0V; (5)Voltage on UVcc with respect to Ground: -0.5V to +6.0V; (6)Maximum Operating Voltage: 6.0V; (7)DC Current per I/O Pin: 40.0 mA; (8)DC Current VCC and GND Pins: 200.0 mA.
Features
AT90USB162-16AU features: (1)High Performance, Low Power AVR 8-Bit Microcontroller; (2)Advanced RISC Architecture; (3)Non-volatile Program and Data Memories: 8K / 16K Bytes of In-System Self-Programmable Flash; (4)Endurance: 10,000 Write/Erase Cycles: Optional Boot Code Section with Independent Lock Bits; (5)USB boot-loader programmed by default in the factory; (6)In-System Programming by on-chip Boot Program hardware-activated after reset; (7)True Read-While-Write Operation: 512 Bytes EEPROM; (8)Endurance: 100,000 Write/Erase Cycles: 512 Bytes Internal SRAM; Programming Lock for Software Security; (9)USB 2.0 Full-speed Device Module with Interrupt on Transfer Completion; (10)IN or Out Directions; (11)Bulk, Interrupt and Isochronous Transfers; (12)Programmable maximum packet size from 8 to 64 bytes; (13)Programmable single or double buffer; (14)PS/2 compliant pad; (15)One 8-bit Timer/Counters with Separate Prescaler and Compare Mode (two 8-bit PWM channels); (16)One 16-bit Timer/Counter with Separate Prescaler, Compare and Capture Mode (three 8-bit PWM channels); (17)USART with SPI master only mode and hardware flow control (RTS/CTS); (18)Master/Slave SPI Serial Interface; (19)Programmable Watchdog Timer with Separate On-chip Oscillator; (20)On-chip Analog Comparator; (21)Interrupt and Wake-up on Pin Change; (22)On Chip Debug Interface (debugWIRE); (23)Power-On Reset and Programmable Brown-out Detection; (24)Internal Calibrated Oscillator; (25)External and Internal Interrupt Sources; (26)Five Sleep Modes: Idle, Power-save, Power-down, Standby, and Extended Standby.
Diagrams

| Image | Part No | Mfg | Description | ![]() |
Pricing (USD) |
Quantity | ||||||||||||
|---|---|---|---|---|---|---|---|---|---|---|---|---|---|---|---|---|---|---|
![]() |
![]() AT90USB162-16AU |
![]() Atmel |
![]() 8-bit Microcontrollers (MCU) AVR USB 16K FLASH |
![]() Data Sheet |
![]()
|
|
||||||||||||
![]() |
![]() AT90USB162-16AUR |
![]() Atmel |
![]() 8-bit Microcontrollers (MCU) 16K Flash |
![]() Data Sheet |
![]()
|
|
||||||||||||
(China (Mainland))









