Product Summary
The BUF460AV is an NPN transistor power module.
Parametrics
BUF460AV absolute maximum ratings: (1)VCEV Collector-Emitter Voltage (VBE = -5 V): 1000 V; (2)VCEO(sus) Collector-Emitter Voltage (IB = 0): 450 V; (3)VEBO Emitter-Base Voltage (IC = 0): 7 V; (4)IC Collector Current: 80 A; (5)ICM Collector Peak Current (tp = 10 ms): 160 A; (6)IB Base Current: 18 A; (7)IBM Base Peak Current (tp = 10 ms): 27 A; (8)Ptot Total Dissipation at Tc = 25℃: 270 W; (9)Ts tg Storage Temperature: -65℃ to 150℃; (10)Tj Max Operat ion Junction Temperature: 150℃; (11)VISO Insulat ion Withstand Voltage (AC-RMS): 2500 V.
Features
BUF460AV features: (1)easy to drive technology (etd); (2)high current power bipolar module; (3)verylow rth junction case; (4)specified accidental overload areas; (5)isolatedcase (2500v rms); (6)easy to mount; (7)low internal parasitic inductance.
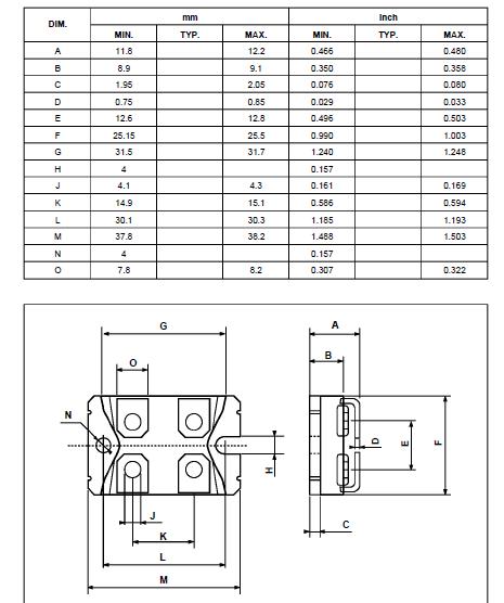
Diagrams

| Image | Part No | Mfg | Description | ![]() |
Pricing (USD) |
Quantity | ||||||||||||
|---|---|---|---|---|---|---|---|---|---|---|---|---|---|---|---|---|---|---|
![]() |
![]() BUF460AV |
![]() STMicroelectronics |
![]() Transistors Bipolar (BJT) NPN Power Module |
![]() Data Sheet |
![]()
|
|
||||||||||||
| Image | Part No | Mfg | Description | ![]() |
Pricing (USD) |
Quantity | ||||||||||||
![]() |
![]() BUF410 |
![]() Other |
![]() |
![]() Data Sheet |
![]() Negotiable |
|
||||||||||||
![]() |
![]() BUF420 |
![]() STMicroelectronics |
![]() Transistors Bipolar (BJT) REORD 511-BUF420A TO-218 NPN FAST SW |
![]() Data Sheet |
![]() Negotiable |
|
||||||||||||
![]() |
![]() BUF420A |
![]() STMicroelectronics |
![]() Transistors Bipolar (BJT) TO-218 NPN FAST SW |
![]() Data Sheet |
![]() Negotiable |
|
||||||||||||
![]() |
![]() BUF420M |
![]() STMicroelectronics |
![]() Transistors Bipolar (BJT) NPN High Volt Power |
![]() Data Sheet |
![]() Negotiable |
|
||||||||||||
![]() |
![]() BUF460AV |
![]() STMicroelectronics |
![]() Transistors Bipolar (BJT) NPN Power Module |
![]() Data Sheet |
![]()
|
|
||||||||||||
![]() |
![]() BUF420AW |
![]() STMicroelectronics |
![]() Transistors Bipolar (BJT) NPN High Volt Power |
![]() Data Sheet |
![]()
|
|
||||||||||||
(China (Mainland))











