Product Summary
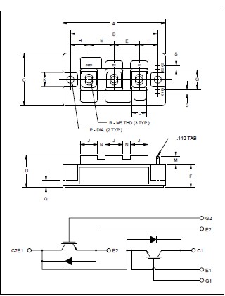
The CM100DY-24H is a Dua IGBT Module. It is designed for use in switching applications. The CM100DY-24H consists of two IGBTs in a half-bridge configuration with each transistor having a reverse-connected super-fast recovery free-wheel diode.
Parametrics
CM100DY-24H absolute maximum ratings: (1)Junction Temperature Tj: –40℃ to 150℃; (2)Storage Temperature Tstg: –40℃ to 125℃; (3)Collector-Emitter Voltage (G-E SHORT) VCES: 1200 Volts; (4)Gate-Emitter Voltage (C-E SHORT) VGES: ±20 Volts; (5)Collector Current (TC = 25℃) IC: 100 Amperes; (6)Peak Collector Current ICM: 200 Amperes; (7)Emitter Current** (TC = 25℃) IE: 100 Amperes; (8)Peak Emitter Current IEM: 200 Amperes; (9)Maximum Collector Dissipation (TC = 25℃, Tj ≤ 150℃) Pc: 780 Watts.
Features
CM100DY-24H features: (1)Low Drive Power; (2)Low VCE(sat); (3)Discrete Super-Fast Recovery(135ns) Free-Wheel Diode; (4)High Frequency Operation(20-25kHz); (5)Isolated Baseplate for Easy Heat Sinking.
Diagrams

| Image | Part No | Mfg | Description | ![]() |
Pricing (USD) |
Quantity | ||||||
|---|---|---|---|---|---|---|---|---|---|---|---|---|
![]() |
![]() CM100DY-24H |
![]() |
![]() IGBT MOD DUAL 1200V 100A H SER |
![]() Data Sheet |
![]() Negotiable |
|
||||||
| Image | Part No | Mfg | Description | ![]() |
Pricing (USD) |
Quantity | ||||||
![]() |
![]() CM10 |
![]() |
![]() FPE04-6U NO FRONT PANEL |
![]() Data Sheet |
![]()
|
|
||||||
![]() |
![]() CM100 |
![]() AMPROBE |
![]() Environmental Test Equipment CARBON MONOXIDE W/ADJUST CO |
![]() Data Sheet |
![]() Negotiable |
|
||||||
![]() |
![]() CM1000 |
![]() Other |
![]() |
![]() Data Sheet |
![]() Negotiable |
|
||||||
![]() CM1000DU-34NF |
![]() |
![]() IGBT MOD DUAL 1700V 1000A NF SER |
![]() Data Sheet |
![]() Negotiable |
|
|||||||
![]() |
![]() CM1000HA-24H |
![]() |
![]() IGBT MOD SGL 1200V 1000A H SER |
![]() Data Sheet |
![]() Negotiable |
|
||||||
![]() |
![]() CM1000HA-28H |
![]() |
![]() IGBT MOD SGL 1400V 1000A H SER |
![]() Data Sheet |
![]() Negotiable |
|
||||||
(China (Mainland))










