Product Summary
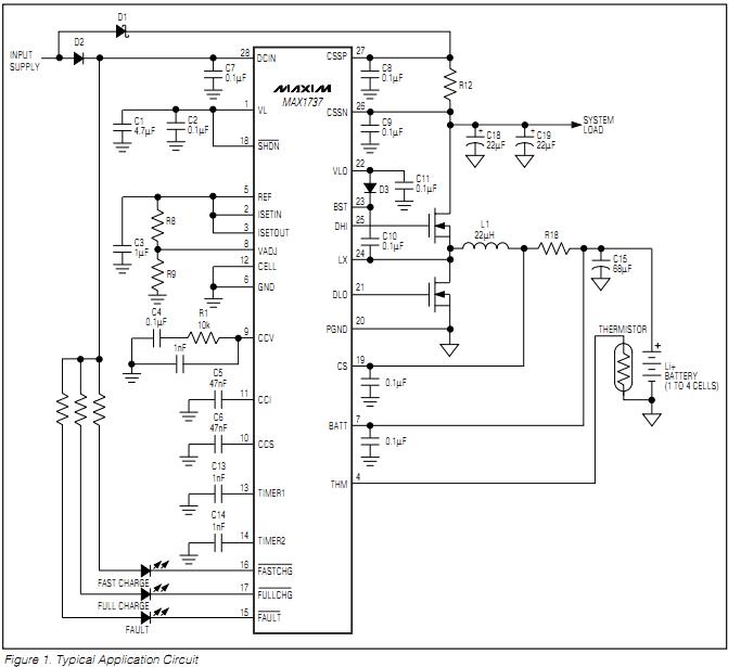
The MAX1737EEI is a switch-mode lithium-ion (Li+) battery charger that charges one to four cells. The MAX1737EEI provides a regulated charging current and a regulated voltage with only a ±0.8% total voltage error at the battery terminals. The MAX1737EEI external N-channel switch and synchronous rectifier provide high efficiency over a wide input voltage range. A built-in safety timer automatically terminates charging once the adjustable time limit has been reached. The applications of the MAX1737EEI include Notebook Computers, Hand-Held Instruments, Li+ Battery Packs and Desktop Cradle Chargers.
Parametrics
MAX1737EEI absolute maximum ratings: (1)CSSP, CSSN, DCIN to GND: -0.3V to +30V; (2)BST, DHI to GND: -0.3V to +36V; (3)BST to LX: -0.3V to +6V; (4)DHI to LX: -0.3V to ((BST - LX) + 0.3V); (5)LX to GND: -0.3V to (CSSN + 0.3V); (6)FULLCHG, FASTCHG, FAULT to GND: -0.3V to +30V; (7)VL, VLO, SHDN, CELL, TIMER1, TIMER2, CCI, CCS, CCV, REF, ISETIN, ISETOUT, VADJ, THM to GND: -0.3V to +6V; (8)DLO to GND: -0.3V to (VLO + 0.3V); (9)BATT, CS to GND: -0.3V to +20V; (10)PGND to GND, CSSP to CSSN: -0.3V to +0.3V; (11)VL to VLO : -0.3V to +0.3V; (12)VL Source Current: 50mA; (13)Continuous Power Dissipation: 860mW; (14)Operating Temperature Range: -40 to +85μA; (15)Junction Temperature: +150℃; (16)Storage Temperature Range: -65 to +150℃; (17)Lead Temperature (soldering, 10s): +300℃.
Features
MAX1737EEI features: (1)Stand-Alone Charger for Up to Four Li+ Cells; (2)±0.8% Accurate Battery Regulation Voltage; (3)Low Dropout: 98% Duty Cycle; (4)Safely Precharges Near-Dead Cells; (5)Continuous Voltage and Temperature Monitoring ; (6)<1μA Shutdown Battery Current ; (7)Input Voltage Up to +28V; (8)Safety Timer Prevents Overcharging; (9)Input Current Limiting; (10)Space-Saving 28-Pin QSOP; (11)300kHz PWM Oscillator Reduces Noise; (12)90% Conversion Efficiency.
Diagrams

| Image | Part No | Mfg | Description | ![]() |
Pricing (USD) |
Quantity | ||||||||||||
|---|---|---|---|---|---|---|---|---|---|---|---|---|---|---|---|---|---|---|
![]() |
![]() MAX1737EEI |
![]() Maxim Integrated Products |
![]() Battery Management Stand-Alone Switch-M L-Ion Battery Chargr |
![]() Data Sheet |
![]() Negotiable |
|
||||||||||||
![]() |
![]() MAX1737EEI+ |
![]() Maxim Integrated Products |
![]() Battery Management Stand-Alone Switch-M L-Ion Battery Chargr |
![]() Data Sheet |
![]()
|
|
||||||||||||
![]() |
![]() MAX1737EEI+T |
![]() Maxim Integrated Products |
![]() Battery Management Stand-Alone Switch-M L-Ion Battery Chargr |
![]() Data Sheet |
![]()
|
|
||||||||||||
![]() |
![]() MAX1737EEI-T |
![]() Maxim Integrated Products |
![]() Battery Management Stand-Alone Switch-M L-Ion Battery Chargr |
![]() Data Sheet |
![]() Negotiable |
|
||||||||||||
(China (Mainland))










