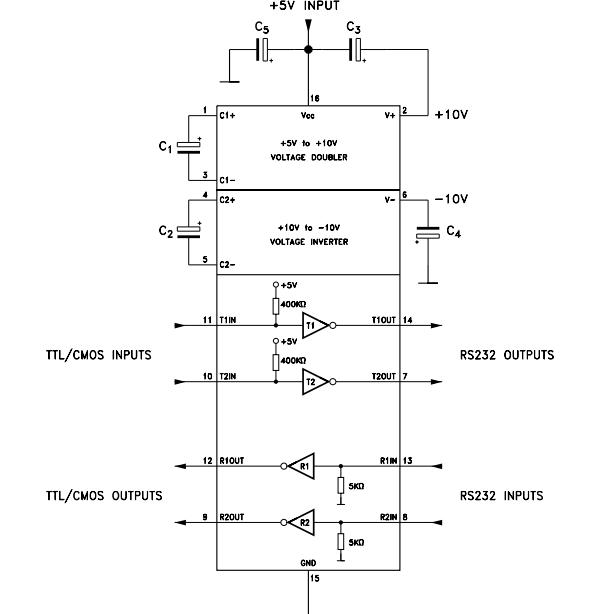
Product Summary
The ST202CD is a 2 driver, 2 receiver device following EIA/TIA-232 and V.28 communication standard. It is particularly suitable for applications where ± 12V is not available. The ST202CD uses a single 5V power supply and only four external capacitors (0.1µF). Typical application are in: Portable Computers, Low Power Modems, Interfaces Translation, Battery Powered RS-232 Networks.
Parametrics
ST202CD absolute maximum ratings: (1)Supply voltage: -0.3 to 6 V; (2)Extra positive voltage: (VCC -0.3) to 13.2 V; (3)Extra negative voltage: 0.3 to -13.2 V; (4)Transmitter input voltage range: -0.3 to (VCC + 0.3) V; (5)Receiver input voltage range: ± 30 V; (6)Transmitter output voltage range: ± 15 V; (7)Receiver output voltage range: -0.3 to (VCC + 0.3) V.
Features
ST202CD features: (1)Supply voltage range: 4.5 to 5.5V; (2)Supply current no load (Typ): 1.5mA; (3)Transmitter output voltage swing (Typ): ± 9V; (4)Transition slew rate (Typ.): 12V/ms; (5)Receiver propagation delay (Typ.): 0.1ms; (6)Compatible with MAX202; (7)Receiver input voltage range: ± 30V; (8)Data rate (Typ.): 400kbp/s.
Diagrams
| Image | Part No | Mfg | Description | ![]() |
Pricing (USD) |
Quantity | ||||||||
|---|---|---|---|---|---|---|---|---|---|---|---|---|---|---|
![]() |
![]() ST202CD |
![]() Other |
![]() |
![]() Data Sheet |
![]() Negotiable |
|
||||||||
![]() |
![]() ST202CDR |
![]() STMicroelectronics |
![]() Buffers & Line Drivers 5V 2Driver/2Receiver |
![]() Data Sheet |
![]()
|
|
||||||||
(China (Mainland))










