Product Summary
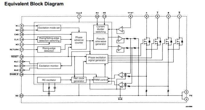
The STK672-040 is a unipolar constant-current choppertype externally-excited 4-phase stepping motor driver hybrid IC which uses MOSFET power devices. It has a microstep operation-supported 4-phase distributed controller built-in to realize a high torque, low vibration, low noise stepping motor driver using a simple control circuit. Applications include Printer, copier and X-Y plotter stepping motor drivers.
Parametrics
STK672-040 absolute maximum ratings: (1)Maximum supply voltage 1: 52 V; (2)Maximum supply voltage 2: -0.3 to +7.0 V; (3)Input voltage: -0.3 to +7.0 V; (4)Phase output current: 2.2 A; (5)Repetitive avalanche handling capability: 38 mJ; (6)Maximum output dissipation: 12 W; (7)Operating substrate temperature: 105℃; (8)Junction temperature: 150℃; (9)Storage temperature: -40 to +125℃.
Features
STK672-040 features: (1)Microstep sine-wave driver operation using only an external clock input (0.33Ω current detection resistor built-in); (2)Microstep drive using only an external reference voltage setting resistor; (3)2, 1-2, W1-2, 2W1-2, 4W1-2 phase excitation selectable using external pins; (4)Selectable vector locus (perfect circle mode, inside 1 mode, outside 2 modes) to match motor characteristics in microstep drive state); (5)Phase hold function during excitation switching; (6)Schmitt trigger inputs with built-in pull-up resistor (20kΩ); (7)Monitor output pin enabling real-time confirmation of IC excitation; (8)The CLK and RETURN inputs provide an internal noise elimination circuit as well as CMOS Schmitt circuit to prevent malfunction due to impulse noise; (9)4-phase distribution switch timing selected externally to either CLK rising-edge only detection mode or both rising-edge and falling-edge detection mode; (10)ENABLE pin for excitation current cutoff, thereby reducing system current drain when driver is stopped.
Diagrams
| Image | Part No | Mfg | Description | ![]() |
Pricing (USD) |
Quantity | ||||||||||||
|---|---|---|---|---|---|---|---|---|---|---|---|---|---|---|---|---|---|---|
![]() |
![]() STK672-040-E |
![]() ON Semiconductor |
![]() Motor / Motion / Ignition Controllers & Drivers Unipoler 2PhaseMicro SteppingMotor Driver |
![]() Data Sheet |
![]()
|
|
||||||||||||
![]() |
![]() STK672-040GEVB |
![]() ON Semiconductor |
![]() Power Management IC Development Tools EVM FOR STK672-040-E |
![]() Data Sheet |
![]()
|
|
||||||||||||
(China (Mainland))










