Product Summary
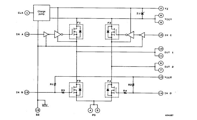
The STK681-050 is a bidirectional DC brush-type motor driver IC with brake function that incorporates MOSFET power elements. Applications include PPC drum and scanner motor drivers, LPB drum motor drivers, printer head and carriage motor drivers and general DC motor applications.
Parametrics
STK681-050 absolute maximum ratings: (1)maximum supply voltage2: 50V; (2)maximum supply voltage2: 10V; (3)maximum input voltage: ±10V; (4)maximum motor starting current: 12A; (5)maximum motor brake current1: 12A; (6)maximum motor brake current2: 16A; (7)thermal resistance: 5℃/W; (8)junction temperature: 150℃; (9)operating substrate temperature: 105℃; (10)storage temperature: -40 to +125℃.
Features
STK681-050 features: (1)H-bridge output stage configuration employing 4MOSFETs; (2)independent TTL/CMOS-level control for each MOSFET(4-pin control); (3)external signal control of forward, reverse and brake opearion; (4)MOSFETs supporting 12A peak starting current and 13.5A peak brake current; (5)DC input supporting saturation operation; (6)only 1 charge pump electrolytic capacitor required.
Diagrams
| Image | Part No | Mfg | Description | ![]() |
Pricing (USD) |
Quantity | ||||||||||||
|---|---|---|---|---|---|---|---|---|---|---|---|---|---|---|---|---|---|---|
![]() |
![]() STK681-050 |
![]() Other |
![]() |
![]() Data Sheet |
![]() Negotiable |
|
||||||||||||
| Image | Part No | Mfg | Description | ![]() |
Pricing (USD) |
Quantity | ||||||||||||
![]() |
![]() STK621-033A-E |
![]() ON Semiconductor |
![]() Motor / Motion / Ignition Controllers & Drivers |
![]() Data Sheet |
![]()
|
|
||||||||||||
![]() |
![]() STK621-041 |
![]() Other |
![]() |
![]() Data Sheet |
![]() Negotiable |
|
||||||||||||
![]() |
![]() STK621-041A-E |
![]() ON Semiconductor |
![]() Motor / Motion / Ignition Controllers & Drivers |
![]() Data Sheet |
![]()
|
|
||||||||||||
![]() |
![]() STK621-043A-E |
![]() ON Semiconductor |
![]() Motor / Motion / Ignition Controllers & Drivers |
![]() Data Sheet |
![]()
|
|
||||||||||||
![]() |
![]() STK621-061A-E |
![]() Other |
![]() |
![]() Data Sheet |
![]() Negotiable |
|
||||||||||||
![]() |
![]() STK621-061-E |
![]() ON Semiconductor |
![]() Motor / Motion / Ignition Controllers & Drivers INVERTER HIC |
![]() Data Sheet |
![]()
|
|
||||||||||||
(China (Mainland))









