Product Summary
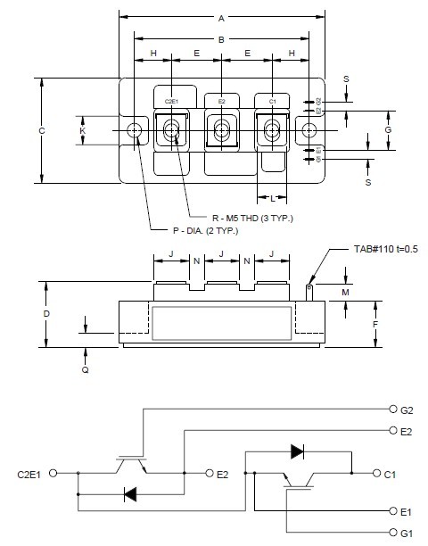
The CM200DY-12H is a high power switching IGBT module. It is designed for use in switching applications. The module consists of two IGBTs in a half-bridge configuration with each transistor having a reverse-connected super-fast recovery free-wheel diode. All components and interconnects are isolated from the heat sinking baseplate, offering simplified system assembly and thermal management. The applications of the CM200DY-12H include: AC Motor Control, Motion/Servo Control, UPS, Welding Power Supplies.
Parametrics
CM200DY-12H absolute maximim ratings: (1)Junction Temperature Tj: -40 to 150 ℃; (2)Storage Temperature Tstg: -40 to 125 ℃; (3)Collector-Emitter Voltage (G-E SHORT) VCES: 600 Volts; (4)Gate-Emitter Voltage (C-E SHORT) VGES: ±20 Volts; (5)Collector Current (Tc = 25℃) IC: 200 Amperes; (6)Peak Collector Current (Tj ≤ 150℃) ICM: 400* Amperes; (7)Emitter Current** (Tc = 25℃) IE: 200 Amperes; (8)Peak Emitter Current** IEM: 400* Amperes; (9)Maximum Collector Dissipation (Tc = 25℃) Pc: 780 Watts.
Features
CM200DY-12H features: (1)Low Drive Power; (2)Low VCE(sat); (3)Discrete Super-Fast Recovery Free-Wheel Diode; (4)High Frequency Operation; (5)Isolated Baseplate for Easy Heat Sinking.
Diagrams

| Image | Part No | Mfg | Description | ![]() |
Pricing (USD) |
Quantity | ||||||||||||
|---|---|---|---|---|---|---|---|---|---|---|---|---|---|---|---|---|---|---|
![]() |
![]() CM200DY-12H |
![]() |
![]() IGBT MOD DUAL 600V 200A H SER |
![]() Data Sheet |
![]() Negotiable |
|
||||||||||||
| Image | Part No | Mfg | Description | ![]() |
Pricing (USD) |
Quantity | ||||||||||||
![]() |
![]() CM2006 |
![]() Other |
![]() |
![]() Data Sheet |
![]() Negotiable |
|
||||||||||||
![]() |
![]() CM2006-02QR |
![]() ON Semiconductor |
![]() Video ICs VGA Port Monitor |
![]() Data Sheet |
![]()
|
|
||||||||||||
![]() |
![]() CM2009 |
![]() Other |
![]() |
![]() Data Sheet |
![]() Negotiable |
|
||||||||||||
![]() |
![]() CM2009-00QR |
![]() ON Semiconductor |
![]() Video ICs VGA Port Circuit 55 Ohm |
![]() Data Sheet |
![]()
|
|
||||||||||||
![]() |
![]() CM2009-02QR |
![]() ON Semiconductor |
![]() Video ICs VGA Port Circuit 15 Ohm |
![]() Data Sheet |
![]()
|
|
||||||||||||
![]() |
![]() CM200C-32.768KAZF-UT |
![]() Citizen |
![]() Crystals 32.768K 30ppm 12.5pF |
![]() Data Sheet |
![]()
|
|
||||||||||||
(China (Mainland))












