Product Summary
The 7MBR25SA120 is a 1200V/50A/PIM IGBT module. The applications of the 7MBR25SA120 are: Inverter for motor drive, AC and DC servo drive amplifier, Uninterruptible power supply.
Parametrics
7MBR25SA120 absolute maximum ratings: (1)Operating junction temperature, Tj: +150℃; (2)Storage temperature, Tstg: -40 to +125℃; (3)Isolation between terminal and copper base, Tstg: AC 2500V; (4)voltage between thermistor and others, Viso: AC 2500V; (5)Mounting screw torque: 3.5 1N·m; (6)Collector-Emitter voltage, VCES: 1200V; (7)Gate-Emitter voltage, VGES: ±20V.
Features
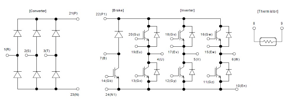
7MBR25SA120 features: (1)Low VCE(sat); (2)Compact package; (3)P.C. board mount; (4)Converter diode bridge, Dynamic brake circuit.
Diagrams

| Image | Part No | Mfg | Description | ![]() |
Pricing (USD) |
Quantity | ||||
|---|---|---|---|---|---|---|---|---|---|---|
![]() |
![]() 7MBR25SA120 |
![]() Other |
![]() |
![]() Data Sheet |
![]() Negotiable |
|
||||
| Image | Part No | Mfg | Description | ![]() |
Pricing (USD) |
Quantity | ||||
![]() |
![]() 7MBR 10SA-120 |
![]() Other |
![]() |
![]() Data Sheet |
![]() Negotiable |
|
||||
![]() |
![]() 7MBR100SB060 |
![]() Other |
![]() |
![]() Data Sheet |
![]() Negotiable |
|
||||
![]() |
![]() 7MBR100SD060 |
![]() Other |
![]() |
![]() Data Sheet |
![]() Negotiable |
|
||||
![]() |
![]() 7MBR100U4B120 |
![]() Other |
![]() |
![]() Data Sheet |
![]() Negotiable |
|
||||
![]() |
![]() 7MBR10NE120 |
![]() Other |
![]() |
![]() Data Sheet |
![]() Negotiable |
|
||||
![]() |
![]() 7MBR10SA120 |
![]() Other |
![]() |
![]() Data Sheet |
![]() Negotiable |
|
||||
(China (Mainland))









