Product Summary
The FF300R12KS4 is a 62mm C-Series module with the fast IGBT2 for high-frequency switching.
Parametrics
FF300R12KS4 absolute maximum ratings: (1)collector-emitter voltage: 1200 V; (2)DC-collector current: 370 A; (3)repetitive peak collector current: 600 A; (4)total power dissipation: 1950 W; (5)gate-emitter peak voltage: ± 20 V.
Features
FF300R12KS4 features: (1)collector-emitter saturation voltage: 3.85V; (2)gate threshold voltage: 4.5 to 6.5 V; (3)internal gate resistor: 1.0 Ω; (4)input capacitance: 20.0 nF; (5)reverse transfer capacitance: 1.40 nF.
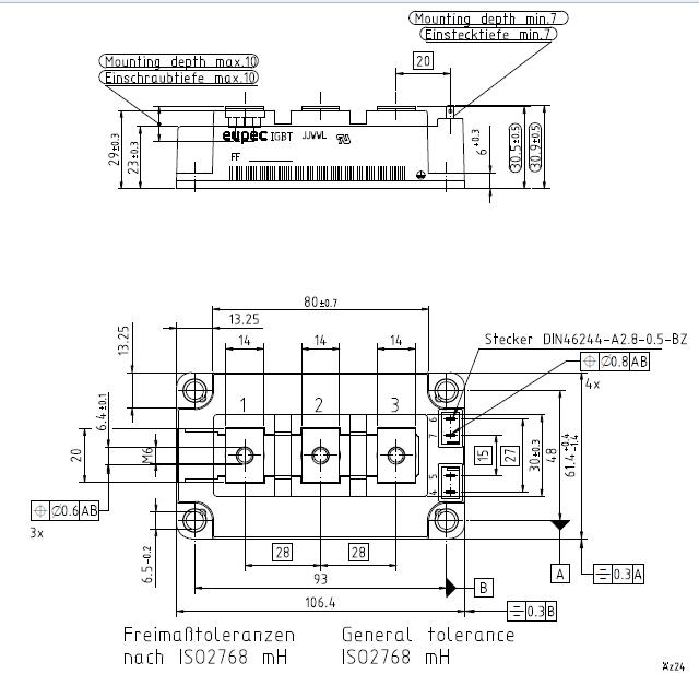
Diagrams

![]() |
![]() FF300R06KE3 |
![]() Infineon Technologies |
![]() IGBT Modules N-CH 600V 400A |
![]() Data Sheet |
![]()
|
|
||||||||||
![]() |
![]() FF300R06KE3_B2 |
![]() Infineon Technologies |
![]() IGBT Modules IGBT 600V 300A |
![]() Data Sheet |
![]()
|
|
||||||||||
![]() |
![]() FF300R06ME3 |
![]() Infineon Technologies |
![]() IGBT Modules IGBT 600V 300A |
![]() Data Sheet |
![]()
|
|
||||||||||
![]() |
![]() FF300R12KE3 |
![]() Infineon Technologies |
![]() IGBT Transistors 1200V 300A DUAL |
![]() Data Sheet |
![]()
|
|
||||||||||
![]() |
![]() FF300R12KE3_B2 |
![]() Infineon Technologies |
![]() IGBT Modules N-CH 1.2KV 480A |
![]() Data Sheet |
![]()
|
|
||||||||||
![]() |
![]() FF300R12KE4 |
![]() Infineon Technologies |
![]() IGBT Modules N-CH 1.2KV 460A |
![]() Data Sheet |
![]()
|
|
||||||||||
(China (Mainland))









