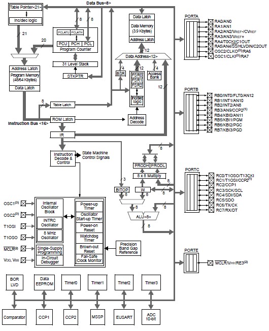
Product Summary
The PIC18F4620-I/P include an internal oscillator block which generates two different clock signals; either can be used as the microcontroller clock source. This may eliminate the need for external oscillator circuits on the OSC1 and/or OSC2 pins. The main output (INTOSC) is an 8 MHz clock source, which can be used to directly drive the device clock. The PIC18F4620-I/P also drives a postscaler, which can provide a range of clock frequencies from 31 kHz to 4 MHz. The INTOSC output of the PIC18F4620-I/P is enabled when a clock frequency from 125 kHz to 8 MHz is selected.
Parametrics
PIC18F4620-I/P absolute maximum ratings: (1)Ambient temperature under bias: -40℃ to +125℃; (2)Storage temperature: -65℃ to +150℃; (3)Voltage on any pin with respect to VSS (except VDD and MCLR) : -0.3V to (VDD + 0.3V); (4)Voltage on VDD with respect to VSS: -0.3V to +7.5V; (5)Voltage on MCLR with respect to VSS: 0V to +13.25V; (6)Total power dissipation: 1.0W; (7)Maximum current out of VSS pin: 300 mA; (8)Maximum current into VDD pin: 250 mA; (9)Input clamp current, IIK (VI < 0 or VI > VDD): ±20 mA; (10)Output clamp current, IOK (VO < 0 or VO > VDD): ±20 mA; (11)Maximum output current sunk by any I/O pin: 25 mA; (12)Maximum output current sourced by any I/O pin: 25 mA; (13)Maximum current sunk by all ports: 200 mA; (14)Maximum current sourced by all ports: 200 mA.
Features
PIC18F4620-I/P features: (1)C Compiler Optimized Architecture: Optional extended instruction set designed to; (2)optimize re-entrant code; (3)100,000 Erase/Write Cycle Enhanced Flash Program Memory Typical; (4)1,000,000 Erase/Write Cycle Data EEPROM Memory Typical; (5)Flash/Data EEPROM Retention: 100 Years Typical; (6)Self-Programmable under Software Control; (7)Priority Levels for Interrupts; (8)8 x 8 Single-Cycle Hardware Multiplier; (9)Extended Watchdog Timer (WDT): Programmable period from 4 ms to 131s; (10)Single-Supply 5V In-Circuit Serial Programming(ICSP via Two Pins; (11)In-Circuit Debug (ICD) via Two Pins; (12)Wide Operating Voltage Range: 2.0V to 5.5V; (13)Programmable Brown-out Reset (BOR) with Softwarenable Option.
Diagrams

| Image | Part No | Mfg | Description | ![]() |
Pricing (USD) |
Quantity | ||||||||||||
|---|---|---|---|---|---|---|---|---|---|---|---|---|---|---|---|---|---|---|
![]() |
![]() PIC18F4620-I/P |
![]() Microchip Technology |
![]() 8-bit Microcontrollers (MCU) 64KB 3968 RAM 36 I/O |
![]() Data Sheet |
![]()
|
|
||||||||||||
![]() |
![]() PIC18F4620-I/PREL |
![]() Other |
![]() |
![]() Data Sheet |
![]() Negotiable |
|
||||||||||||
![]() |
![]() PIC18F4620-I/PT |
![]() Microchip Technology |
![]() 8-bit Microcontrollers (MCU) 64KB 3968 RAM 36 I/O |
![]() Data Sheet |
![]()
|
|
||||||||||||
(China (Mainland))










