Product Summary
The HFA120FA60 is an ultrafast soft recovery diode. It is available into parallel configuration. The HFA120FA60 is used for simple parallel rectifier and high current application. The HFA120FA60 is intended for general applications such as power supplies, battery chargers, electronic welders, motor control, DC chopper, and inverters.
Parametrics
HFA120FA60 absolute maximum ratings: (1)VR: 600 V; (2)VF (typ.): 1.4 V; (3)IF (AV): 60 A; (4)Qrr (typ): 270 nC; (5)IRRM (typ.): 7.0 A; (6)trr (typ.): 65 ns; (7)di (rec) M/dt (typ.): 270 A/μs.
Features
HFA120FA60 features: (1)Fast recovery time characteristic; (2)Eletrically isolated base plate; (3)Large creepage distance between terminal; (4)Simplified mechanical designs, rapid assembly.
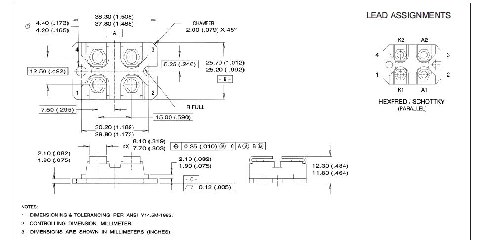
Diagrams

| Image | Part No | Mfg | Description | ![]() |
Pricing (USD) |
Quantity | ||||||
|---|---|---|---|---|---|---|---|---|---|---|---|---|
![]() |
![]() HFA120FA60 |
![]() |
![]() DIODE HEXFRED 600V 75A SOT-227 |
![]() Data Sheet |
![]()
|
|
||||||
![]() |
![]() HFA120FA60P |
![]() Other |
![]() |
![]() Data Sheet |
![]() Negotiable |
|
||||||
(China (Mainland))










