Product Summary
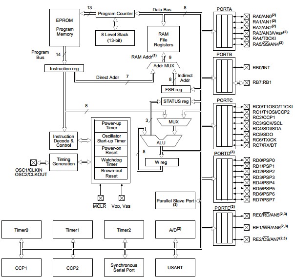
The PIC16C73B-04/SP is an 8-bit CMOS microcontroller with A/D converter. It fits nicely in many applications ranging from security and remote sensors to appliance control and automotive. The EPROM technology makes customization of application programs (transmitter codes, motor speeds, receiver frequencies, etc.) extremely fast and convenient. The small footprint packages make this microcontroller series perfect for all applications with space limitations.
Parametrics
PIC16C73B-04/SP absolute maximum ratings: (1)ambient temperature under bias: -55 to 125℃; (2)storage temperature: -65 to 150℃; (3)voltage on any pin: -0.3 to VDD+0.3V; (4)total power dissipation: 1W; (5)maximum current: 300mA; (6)maximum output current sourced by any I/O pin: 25mA.
Features
PIC16C73B-04/SP features: (1)Interrupt capability; (2)Eight-level deep hardware stack; (3)Direct, indirect and relative addressing modes; (4)Power-on Reset (POR); (5)Power-up Timer (PWRT) and Oscillator Start-up Timer (OST); (6)Watchdog Timer (WDT) with its own on-chip RC oscillator for reliable operation; (7)Programmable code protection; (8)Power-saving SLEEP mode.
Diagrams

| Image | Part No | Mfg | Description | ![]() |
Pricing (USD) |
Quantity | ||||||||||||
|---|---|---|---|---|---|---|---|---|---|---|---|---|---|---|---|---|---|---|
![]() |
![]() PIC16C73B-04/SP |
![]() Microchip Technology |
![]() 8-bit Microcontrollers (MCU) 7KB 192 RAM 22 I/O |
![]() Data Sheet |
![]()
|
|
||||||||||||
| Image | Part No | Mfg | Description | ![]() |
Pricing (USD) |
Quantity | ||||||||||||
![]() |
![]() PIC1018SCL |
![]() Other |
![]() |
![]() Data Sheet |
![]() Negotiable |
|
||||||||||||
![]() |
![]() PIC10F200 |
![]() Other |
![]() |
![]() Data Sheet |
![]() Negotiable |
|
||||||||||||
![]() |
![]() PIC10F200-E/MC |
![]() Microchip Technology |
![]() 8-bit Microcontrollers (MCU) 384B Flash16B RAM 4 I/O |
![]() Data Sheet |
![]()
|
|
||||||||||||
![]() |
![]() PIC10F200-E/OT |
![]() Other |
![]() |
![]() Data Sheet |
![]() Negotiable |
|
||||||||||||
![]() |
![]() PIC10F200-E/P |
![]() Microchip Technology |
![]() 8-bit Microcontrollers (MCU) U 579-PIC10F200-I/P |
![]() Data Sheet |
![]() Negotiable |
|
||||||||||||
![]() |
![]() PIC10F200-I/MC |
![]() Microchip Technology |
![]() 8-bit Microcontrollers (MCU) 0.375KB Fl 16B RAM |
![]() Data Sheet |
![]()
|
|
||||||||||||
(China (Mainland))










