Product Summary
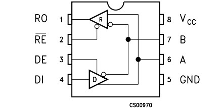
The ST485ECDR is a low power transceiver for RS-485 and RS-422 communication. Each driver output and receiver input is protected against ±15KV electrostatic discharge (H.B.M.) (ESD) shocks, without latcup. t operates from a single 5V supply. Driver is short-circuit current limited and is protected against excessive power dissipation by thermal shutdown circuitry that place the driver outputs into a high-impedance state. The ST485ECDR is designed for bi-directional data communications on multipoint bus transmission line (half-duplex applications).
Parametrics
ST485ECDR absolute maximum ratings: (1)Supply Voltage 7 V; (2)Control Input Voltage (RE, DE): -0.5 to (VCC + 0.5) V; (3)Driver Input Voltage (DI): -0.5 to (VCC + 0.5) V; (4)Driver Output Voltage (A, B): ± 14 V; (5)Receiver Input Voltage (A, B): ± 14 V; (6)Receiver Output Voltage (RO): -0.5 to (VCC + 0.5) V.
Features
ST485ECDR features: (1)low quiescent current; (2)designed for RS-485 interface applications; (3)-7V to 12V common mode input voltage range; (4)70mV typical input hysteresis; (5)ESD protection; (6)allows up to 64 transceivers on the bus.
Diagrams
| Image | Part No | Mfg | Description | ![]() |
Pricing (USD) |
Quantity | ||||||||||||
|---|---|---|---|---|---|---|---|---|---|---|---|---|---|---|---|---|---|---|
![]() |
![]() ST485ECDR |
![]() STMicroelectronics |
![]() Buffers & Line Drivers Hi-Spd Lo Pwr Trans |
![]() Data Sheet |
![]()
|
|
||||||||||||
| Image | Part No | Mfg | Description | ![]() |
Pricing (USD) |
Quantity | ||||||||||||
![]() |
![]() ST483610LG |
![]() Hammond Manufacturing |
![]() Enclosures, Boxes, & Cases |
![]() Data Sheet |
![]() Negotiable |
|
||||||||||||
![]() |
![]() ST483612LG |
![]() Hammond Manufacturing |
![]() Enclosures, Boxes, & Cases |
![]() Data Sheet |
![]() Negotiable |
|
||||||||||||
![]() |
![]() ST483616LG |
![]() Hammond Manufacturing |
![]() Enclosures, Boxes, & Cases |
![]() Data Sheet |
![]() Negotiable |
|
||||||||||||
![]() |
![]() ST483616SS |
![]() Hammond Manufacturing |
![]() Enclosures, Boxes, & Cases |
![]() Data Sheet |
![]() Negotiable |
|
||||||||||||
![]() |
![]() ST485 |
![]() Other |
![]() |
![]() Data Sheet |
![]() Negotiable |
|
||||||||||||
![]() |
![]() ST485A |
![]() Other |
![]() |
![]() Data Sheet |
![]() Negotiable |
|
||||||||||||
(China (Mainland))










