Product Summary
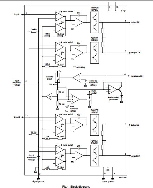
The TDA1557Q is a monolithic integrated class-B output amplifier in a 13-lead single-in-line (SIL) plastic power package. The device contains 2 × 22 W amplifiers in BTL configuration and has been primarily developed for car radio applications.
Parametrics
TDA1557Q absolute maximum ratings: (1)AC and DC short-circuit safe voltage: 18 V; (2)non-repetitive peak output current: 6 A; (3)repetitive peak output current: 4 A; (4)total power dissipation: 60 W; (5)storage temperature range: -55 +150℃; (6)junction temperature: +150℃.
Features
TDA1557Q features: (1)Requires very few external components; (2)High output power; (3)Low offset voltage at output; (4)Fixed gain; (5)Good ripple rejection; (6)Mute/stand-by switch; (7)Load dump protection; (8)AC and DC short-circuit-safe to ground and VP; (9)Thermally protected; (10)Reverse polarity safe; (11)Capability to handle high energy on outputs (VP = 0).
Diagrams
| Image | Part No | Mfg | Description | ![]() |
Pricing (USD) |
Quantity | ||||
|---|---|---|---|---|---|---|---|---|---|---|
![]() |
![]() TDA1557Q |
![]() Other |
![]() |
![]() Data Sheet |
![]() Negotiable |
|
||||
![]() |
![]() TDA1557Q/N2,112 |
![]() NXP Semiconductors |
![]() Audio Amplifiers 2X22 W BTL AUDIO |
![]() Data Sheet |
![]() Negotiable |
|
||||
![]() |
![]() TDA1557QU |
![]() NXP Semiconductors |
![]() Audio Amplifiers 2X22 W BTL AUDIO POWER AMP |
![]() Data Sheet |
![]() Negotiable |
|
||||
(China (Mainland))










