Product Summary
The VI-JW2-IZ/F2 is a Half Brick DC-DC Converter. The device offers up to 100W of isolated and regulated power in a board mounted package. With thousands of input/output/power combinations, and with a maximum operating temperature rating of 100ⅹC, the VI-JWB-IW provides nearly unlimited flexibiliy for power system designers to meet demanding time to market requirements. Utilizing zero-current-switching forward converter technology, proven by an installed base of over 8 million units, the VI-JWB-IW combines state of the art power density with the efficiency, low noise and reliability required by next generation power systems
Parametrics
VI-JW2-IZ/F2 absolute maximum ratings: (1)Input to output: 3000 VRMS; (2)Output to baseplate: 500 VRMS; (3)Input to baseplate: 1,500 VRMS.
Features
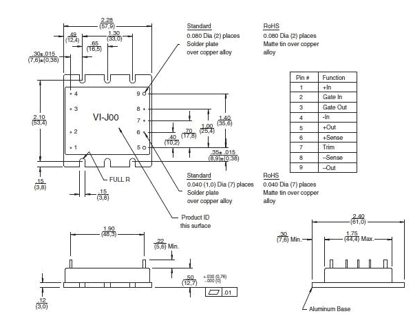
VI-JW2-IZ/F2 features: (1)RoHS compliant (VE versions); (2)Up to 50 Watts per cubic inch; (3)cULus, cTUVus; (4)CE Marked; (5)Up to 90% efficiency; (6)Size: 2.28 x 2.4 x 0.5 (57,9 x 61,0 x 12,7); (7)Remote sense and current limit; (8)Logic disable; (9)Wide range output adjust; (10)ZCS power architecture; (11)Low noise FM control.
Diagrams

![]() |
![]() VI-J00 |
![]() Other |
![]() |
![]() Data Sheet |
![]() Negotiable |
|
||||||
![]() |
![]() VI-J00-CY |
![]() |
![]() CONVERTER MOD DC/DC 5V 50W |
![]() Data Sheet |
![]()
|
|
||||||
![]() |
![]() VI-J00-CY-B1 |
![]() |
![]() CONVERTER MOD DC/DC 5V 50W |
![]() Data Sheet |
![]()
|
|
||||||
![]() |
![]() VI-J00-CY-F1 |
![]() |
![]() CONVERTER MOD DC/DC 5V 50W |
![]() Data Sheet |
![]()
|
|
||||||
![]() |
![]() VI-J00-CY-F2 |
![]() |
![]() CONVERTER MOD DC/DC 5V 50W |
![]() Data Sheet |
![]()
|
|
||||||
![]() |
![]() VI-J00-CY-F3 |
![]() |
![]() CONVERTER MOD DC/DC 5V 50W |
![]() Data Sheet |
![]()
|
|
||||||
(China (Mainland))









