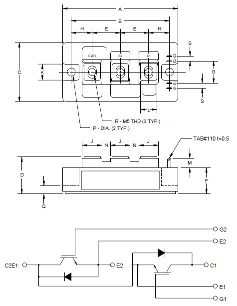
Product Summary
The CM150DY-12H is a high power switching IGBT module. It is designed for use in switching applications. The module consists of two IGBTs in a half-bridge configuration with each transistor having a reverse-connected super-fast recovery free-wheel diode. All components and interconnects are isolated from the heat sinking baseplate, offering simplified system assembly and thermal management. The applications of the CM150DY-12H include: AC Motor Control, Motion/Servo Control, UPS, Welding Power Supplies.
Parametrics
CM150DY-12H absolute maximim ratings: (1)Junction Temperature Tj: -40 to 150 ℃; (2)Storage Temperature Tstg: -40 to 125 ℃; (3)Collector-Emitter Voltage (G-E SHORT) VCES: 600 Volts; (4)Gate-Emitter Voltage (C-E SHORT) VGES: ±20 Volts; (5)Collector Current (Tc = 25℃) IC: 150 Amperes; (6)Peak Collector Current (Tj ≤ 150℃) ICM: 300* Amperes; (7)Emitter Current** (Tc = 25℃) IE: 150 Amperes; (8)Peak Emitter Current** IEM: 300* Amperes; (9)Maximum Collector Dissipation (Tc = 25℃) Pc: 600 Watts.
Features
CM150DY-12H features: (1)Low Drive Power; (2)Low VCE(sat); (3)Discrete Super-Fast Recovery Free-Wheel Diode; (4)High Frequency Operation; (5)Isolated Baseplate for Easy Heat Sinking.
Diagrams

| Image | Part No | Mfg | Description | ![]() |
Pricing (USD) |
Quantity | ||||
|---|---|---|---|---|---|---|---|---|---|---|
![]() |
![]() CM150DY-12H |
![]() |
![]() IGBT MOD DUAL 600V 150A H SER |
![]() Data Sheet |
![]() Negotiable |
|
||||
| Image | Part No | Mfg | Description | ![]() |
Pricing (USD) |
Quantity | ||||
![]() |
![]() CM15 |
![]() Other |
![]() |
![]() Data Sheet |
![]() Negotiable |
|
||||
![]() |
![]() CM1500 |
![]() Other |
![]() |
![]() Data Sheet |
![]() Negotiable |
|
||||
![]() |
![]() CM15001W |
![]() Other |
![]() |
![]() Data Sheet |
![]() Negotiable |
|
||||
![]() |
![]() CM15002W |
![]() Other |
![]() |
![]() Data Sheet |
![]() Negotiable |
|
||||
![]() |
![]() CM15003W |
![]() Other |
![]() |
![]() Data Sheet |
![]() Negotiable |
|
||||
![]() |
![]() CM15004W |
![]() Other |
![]() |
![]() Data Sheet |
![]() Negotiable |
|
||||
(China (Mainland))









