Product Summary
The MG200Q2YS11 is a TOSHIBA GTR module silicon N channel IGBT. It has high power switching applications anbd motor control applications.
Parametrics
MG200Q2YS11 maximum ratings: (1)Collector-emitter voltage, VES: 1200V; (2)Gate Emitter voltage, VGES: ±20V; (3)Collector current DC, IC: 200A; (4)Collector current 1ms ICP: 400A; (5)Forward current DC, IF: 200A; (6)Forward current 1ms IFM: 400A; (7)Collector power dissipation(Tc=25℃) PC: 1300W; (8)Junction temperature Tj: 150℃; (9)Storage temperature range Tstg: -40 to 125℃; (10)Isolation voltage, VIsol: 2500(AC 1 minute)V; (11)Screw torque(Terminal/Mounting): 3/3Nm.
Features
MG200Q2YS11 features: (1)High input impedance; (2)High speed; (3)Low saturation voltage; (4)Enhancement mode; (5)Includes a complete half bridge in one package; (6)The electrodes are isolated from case.
Diagrams

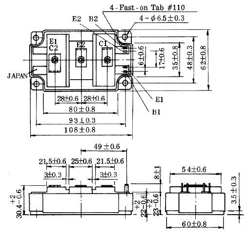
![]() |
![]() MG2000 |
![]() Other |
![]() |
![]() Data Sheet |
![]() Negotiable |
|
||||||
![]() |
![]() MG2001 |
![]() Other |
![]() |
![]() Data Sheet |
![]() Negotiable |
|
||||||
![]() |
![]() MG2002 |
![]() Other |
![]() |
![]() Data Sheet |
![]() Negotiable |
|
||||||
![]() |
![]() MG2004 |
![]() Other |
![]() |
![]() Data Sheet |
![]() Negotiable |
|
||||||
![]() |
![]() MG200J6ES60 |
![]() Other |
![]() |
![]() Data Sheet |
![]() Negotiable |
|
||||||
![]() |
![]() MG200J6ES61 |
![]() |
![]() IGBT MOD CMPCT 600V 200A |
![]() Data Sheet |
![]()
|
|
||||||
(China (Mainland))








