Product Summary
The PM200DVA120 is a Mitsubishi Intelligent Power Module. The device is designed for power switching applications operating at frequencies to 20kHz. Built-in control circuits provide optimum gate drive and protection for the IGBT and free-wheel diode power devices.The applications of the PM200DVA1200 include Inverters, UPS, Motion/Servo Control and Power Supplies.
Parametrics
PM200DVA120 absolute maximum ratings: (1)Power Device Junction Temperature, Tj: -20 to 150℃; (2)Storage Temperature, Tstg: -40 to 125℃; (3)Case Operating Temperature, TC: -20 to 100℃; (4)Mounting Torque, M4 Mounting Screws: 26inlb; (5)Module Weight (Typical): 510 Grams; (6)Supply Voltage Protected by OC and SC (VD = 13.5 - 16.5V, Inverter Part), VCC(prot.): 800 Volts; (7)Isolation Voltage (Main Terminal to Baseplate, AC 1 min.), Viso: 2500 Vrms.
Features
PM200DVA120 features: (1)Complete Output Power Circuit; (2)Gate Drive Circuit; (3)Protection Logic: Short Circuit, Over Current, Over Temperature and Under Voltage.
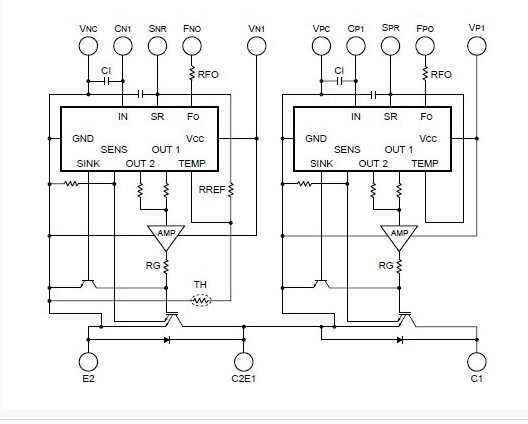
Diagrams

| Image | Part No | Mfg | Description | ![]() |
Pricing (USD) |
Quantity | ||||
|---|---|---|---|---|---|---|---|---|---|---|
![]() |
![]() PM200DVA120 |
![]() |
![]() MOD IPM V-SER DUAL 1200V 200A |
![]() Data Sheet |
![]() Negotiable |
|
||||
| Image | Part No | Mfg | Description | ![]() |
Pricing (USD) |
Quantity | ||||
![]() |
![]() PM2001-200 |
![]() Bourns |
![]() EMI Filter Beads, Chokes & Arrays 25% Choke |
![]() Data Sheet |
![]() Negotiable |
|
||||
![]() |
![]() PM2001-200-RC |
![]() |
![]() FERRITE CHIP 20 OHM 25% |
![]() Data Sheet |
![]() Negotiable |
|
||||
![]() |
![]() PM2002-300 |
![]() J.W. Miller |
![]() EMI Filter Beads, Chokes & Arrays 47ohm 25% |
![]() Data Sheet |
![]() Negotiable |
|
||||
![]() |
![]() PM2002-300-RC |
![]() Bourns |
![]() EMI Filter Beads, Chokes & Arrays 47ohms 25% |
![]() Data Sheet |
![]() Negotiable |
|
||||
![]() |
![]() PM2002DP |
![]() Other |
![]() |
![]() Data Sheet |
![]() Negotiable |
|
||||
![]() |
![]() PM2003-300 |
![]() J.W. Miller |
![]() EMI Filter Beads, Chokes & Arrays 25% Choke |
![]() Data Sheet |
![]() Negotiable |
|
||||
(China (Mainland))










