Product Summary
The SKKT92B16E is a thyristor / diode module. It is applicated for DC motor control. In addition, the SKKT92B16E is used for AC motor soft starters, temperature control and professional light dimming.
Parametrics
SKKT92B16E absolute maximum ratings: (1)ITSM: 2000 A; (2)VT: 1.65 V; (3)rT: 2 mΩ; (4)tgd: 1 μs; (5)IH: 250 mA; (6)Tvj: -40 to +125℃; (7)Tstg: -40 to +125℃.
Features
SKKT92B16E features: (1)heat transfer through aluminium oxide ceramic isolated metal baseplate; (2)hard soldered joints for high reliability; (3)UL recognized, file NO. E 63532.
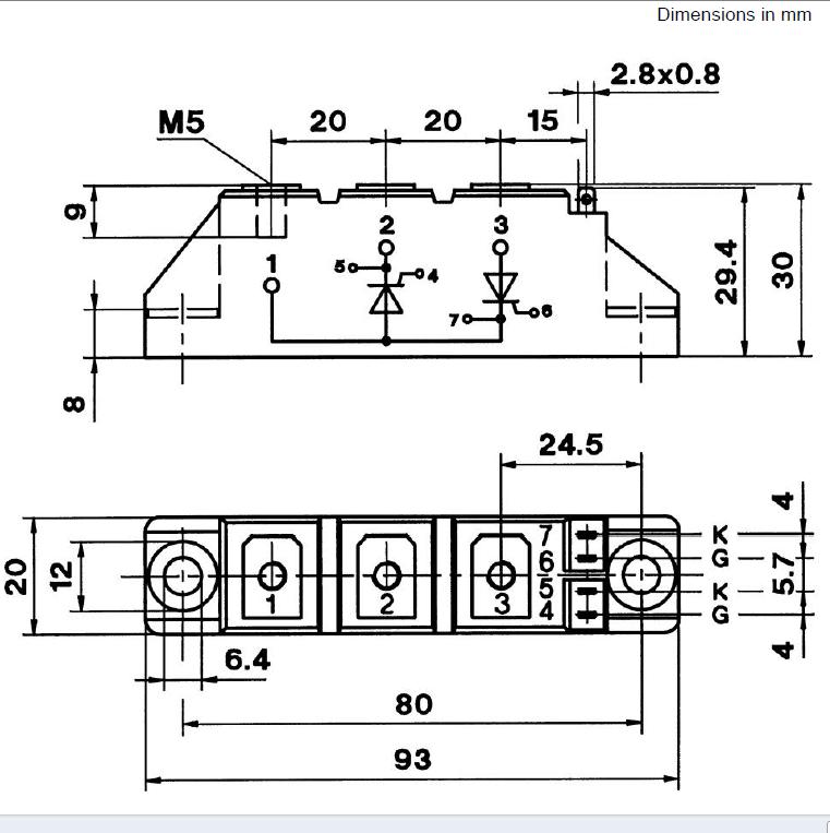
Diagrams

![]() |
![]() SKKT 213 |
![]() Other |
![]() |
![]() Data Sheet |
![]() Negotiable |
|
||||
![]() |
![]() SKKT 253 |
![]() Other |
![]() |
![]() Data Sheet |
![]() Negotiable |
|
||||
![]() |
![]() SKKT 56 |
![]() Other |
![]() |
![]() Data Sheet |
![]() Negotiable |
|
||||
![]() |
![]() SKKT 57 |
![]() Other |
![]() |
![]() Data Sheet |
![]() Negotiable |
|
||||
![]() |
![]() SKKT 57B |
![]() Other |
![]() |
![]() Data Sheet |
![]() Negotiable |
|
||||
![]() |
![]() SKKT105 |
![]() Other |
![]() |
![]() Data Sheet |
![]() Negotiable |
|
||||
(China (Mainland))








