Product Summary
The SP202ECT-L is a line driver and receiver pair that meets the specifications of RS-232 and V.28 serial protocols. The ESD tolerance has been improved on these devices to over +/-15kV for Human Body Model. This series offer a 120kbps data rate under load, small ceramic type 0.1μF charge pump capacitors and overall ruggedness for comercial applications.
Parametrics
SP202ECT-L absolute maximum ratings: (1)Supply Voltage (VCC): + 6V; (2)V+: (Vcc-0.3V) to +11.0V; (3)V-: 11.0V; (4)Storage Temperature: -65℃ to +150℃.
Features
SP202ECT-L features: (1)Operates from a Single +5V Power Supply; (2)Meets all RS-232D and ITU V.28 Specifications; (3)Operates with 0.1μF to 10μF Ceramic Capacitors; (4)High Data Rate - 120kbps under load; (5)Low power CMOS Operation; (6)Lead Free packaging available; (7)Improved ESD Specifications.
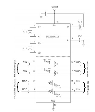
Diagrams
| Image | Part No | Mfg | Description | ![]() |
Pricing (USD) |
Quantity | ||||||||||||
|---|---|---|---|---|---|---|---|---|---|---|---|---|---|---|---|---|---|---|
![]() |
![]() SP202ECT-L |
![]() Exar |
![]() RS-232 Interface IC RS232 2Tx/2Rx temp 0C to 70C |
![]() Data Sheet |
![]()
|
|
||||||||||||
![]() |
![]() SP202ECT-L/TR |
![]() Exar |
![]() Universal Bus Functions HIGH PERFORMANCE RS232 0-70C |
![]() Data Sheet |
![]()
|
|
||||||||||||
(China (Mainland))









