Product Summary
The STK4412 is a 2-Channel AF Power Amplifier. It can greatly reduce heat sink due to case temperature 125℃ guaranteed.
Parametrics
STK4412 absolute maximum ratings: (1)Maximum supply voltage: 63 V; (2)Operating substrate temperature: 125℃; (3)Storage temperature: -30 to +125℃; (4)Available Time for load short-circuit: 2 s.
Features
STK4412 features: (1)Small and slim package with 31mm height; (2)Pin compatible with STK430 series heretofore in use; (3)Greatly reduced heat sink due to case temperature 125℃ guaranteed; (4)Excellent cost performance.
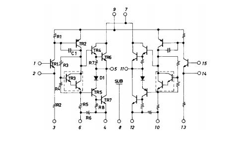
Diagrams
(China (Mainland))






