Product Summary
The 7MBI50N-120 is an IGBT module. It is used in Inverter for Motor Drive, AC and DC Servo Drive Amplifier, Uninterruptible Power Supply.
Parametrics
7MBI50N-120 absolute maximum ratings: (1)Collector-Emitter Voltage, VCES: 1200V; (2)Gate -Emitter Voltage, VGES: ± 20V; (3)Operating Junction Temperature, Tj: +150℃; (4)Storage Temperature, TStg: -40 to +125℃.
Features
7MBI50N-120 features: (1)Including Brake Chopper; (2)Square RBSOA; (3)Low Saturation Voltage; (4)Overcurrent Limiting Function.
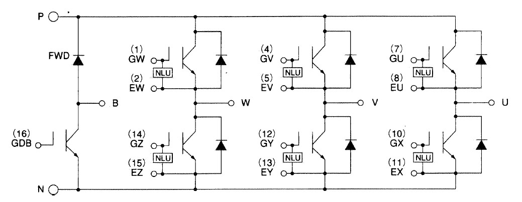
Diagrams

![]() |
![]() 7MBI100N-060 |
![]() Other |
![]() |
![]() Data Sheet |
![]() Negotiable |
|
||||
![]() |
![]() 7MBI40N-120 |
![]() Other |
![]() |
![]() Data Sheet |
![]() Negotiable |
|
||||
(China (Mainland))








